每天生物

公司新闻Company News

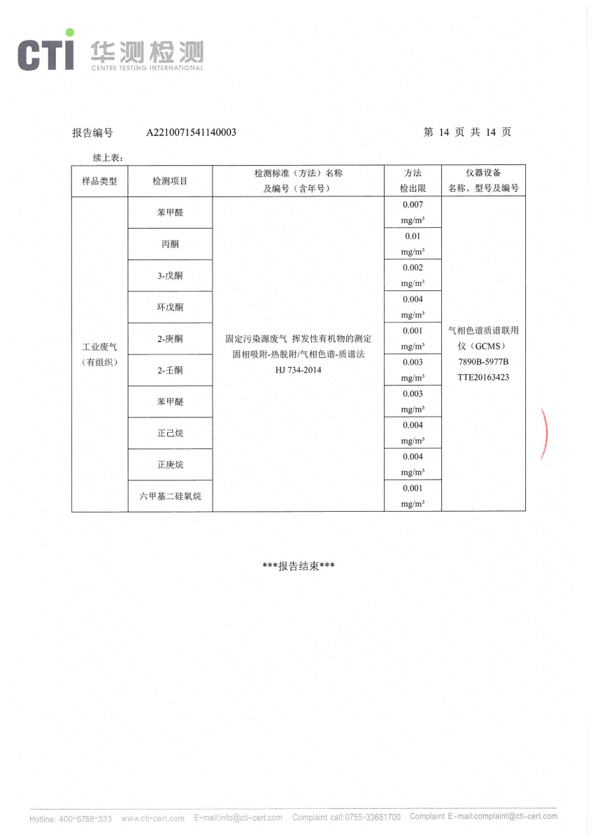
2021年第四季度公司污染源检测报告

  

2021年第四季度,公司按照国家企业安全生产标准,对公司所排出的污染源,委托第三方进行抽样检测,详细的检测报告如下

 

 

 

 

 

 

 

 

 

 

 

 

 

 

 

 

 

 

 

 

 

POST TIME:2022-01-01 11:50:53

联系电话:027-87214043 售后:027-87214043传真:0713-6392241 邮编号码:435400 联系地址:中国湖北省武穴市田镇马口工业园区